
CBMD12
12-Channel Bypass Module

User’s Manual
Revision 0
Copyright ©2022 Carling Technologies, Inc.
All Rights Reserved
60 Johnson Ave.
Plainville, CT 06062 USA
All Rights Reserved
Revision History
|
Revision |
Description |
|
0 |
Initial Release |
Table of Contents
2.4 Connecting the CBMD12 (Main DC (+) Connection)
10 Maretron (2 Year) Limited Warranty
Table of Figures
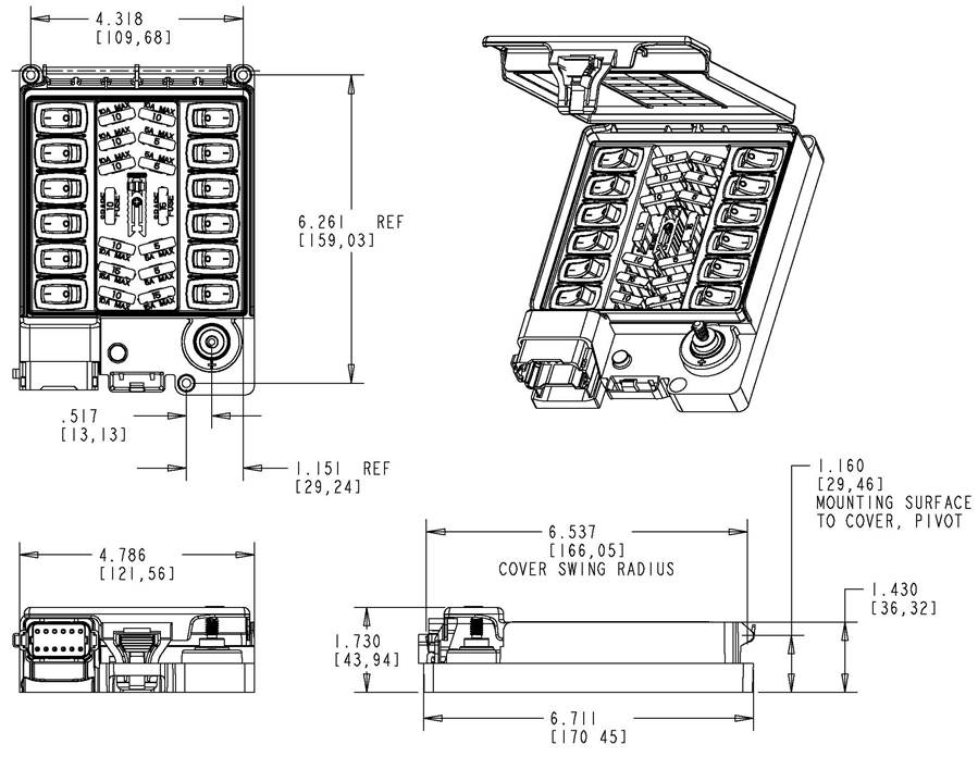
Figure 1 - CBMD12 Fuse Max Rating Marks
Figure 2 - CBMD12 Standard Mounting
Figure 3 - CBMD12 Mounting for Adjacent CLMD12s
Figure 4 - CBMD12 Main Power Jumper Wire
Congratulations on your purchase of the Maretron MPower CBMD12 12 Channel Bypass Module. Carling has designed and built your CBMD12 to the highest standards for years of dependable and accurate service.
The CBMD12 is designed to be installed in conjunction with the CLMD12 12-Channel DC
Load Controller Module to provide a manual override method to control CLMD12 loads in the case of a CLMD12 malfunction or an NMEA 2000® network failure. The CBMD12 works by providing direct power to each CLMD12 load through physical switches for each load. The CBMD12 utilizes standard fuses for overcurrent protection.
The CBMD12 is designed to operate within the harsh demands of the marine environment. However, no piece of marine electronic equipment can function properly unless installed and maintained in the correct manner. For best results, please read this user’s manual from start to finish to understand instructions for installation and usage of the CBMD12.
The Maretron CBMD12 has the following features.
When unpacking the box containing the Maretron CBMD12, you should find the following items:
1 – CBMD12 – 12 Channel Bypass Module
1 – 6 AWG Red Bypass Module Main Power Jumper Wire
1 – Bypass Module Fuse Pack
1 – Warranty Registration Card
If any of these items are missing or damaged, please contact Maretron Technical Support.
Refer to section 8, (Technical Support), of this User’s Manual for contact information.
The CBMD12 contains a fuse pack with (Qty:4) 5A fuses, (Qty:7) 10A fuses and (Qty:3) 15A fuses. There are 12 slots for the fuses pertaining to the 12 CLMD12 load bypass channels and two slots for spare fuses. To have fuse protection that corresponds with the CLMD12 load output’s max current rating, simply insert the fuses into the fuse slots matching the fuse values with the noted ‘Fuse Max Rating Marks’ on the CBMD12 module. Refer to the figure below for additional detail.

Figure 1 - CBMD12 Fuse Max Rating Marks
Mount the CBMD12 using (Qty:3) #8 pan head or other screws through the three provided mounting holes. Do not use thread locking compounds containing methacrylate ester, such as Loctite Red (271), as they will cause stress cracking of the plastic enclosure. The CBMD12 is designed to be mounted to the left side of any CLMD12 unit if the provided 6 AWG red bypass module main power jumper wire is used. It is also acceptable to use one CBMD12 for two adjacent CLMD12s or choose not to mount the CBMD12 and simply keep the unit as an onboard emergency use or troubleshooting device that can be connected at the time of need. See figure below for example illustrations of CBMD12 mounting configurations in conjunction with CLMD12 Load Controller Modules.

Figure 2 - CBMD12 Standard Mounting
(CBMD12 Left of CLMD12)

Figure 3 - CBMD12 Mounting for Adjacent CLMD12s
|
WARNING
The CBMD12 Bypass Module is not ignition protected. Ensure that the CBMD12 switches are in the off position and the installation area is free of fumes and gasses before connecting main power. |
Typically, use of the provided 6 AWG red bypass module main power jumper wire will be used to power the CBMD12. When installing the CBMD12 in a standard mounting fashion as illustrated in Figure 2, the main power jumper wire will connect from the CLMD12 main DC (+) terminal stud located at the top of the CLMD12 to the CBMD12 terminal stud located at the bottom of the CBMD12. When installing the CBMD12 in an adjacent CLMD12 arrangement as shown in Figure 3, connect the provided main power jumper wire to the CLMD12 to the right side of the CBMD12. It is important that the ‘Right Side’ CLMD12 main DC (+) power cable has a current capacity that is equal to or greater than the current capacity of the CLMD12 to the left side of the CBMD12; therefore, the CBMD12 will have the capacity to carry bypass currents for either CLMD12 it will be servicing. If it is not possible to install the CBMD12 within reaching distance to use the provided main power jumper wire, then the CBMD12’s source of DC (+) can be provided by any cable with a ring terminal to the 1/4”-20 stud on the bottom of the CBMD12 as long as the power cable is protected by a fuse or circuit breaker with a value appropriate to protecting the wire or the 75A maximum specification of the CBMD12, whichever is less. Torque the DC (+) connection to the CBMD12 to 20 in-lbs. (2.26 N·m). Application of dielectric grease to the CBMD12 or CLMD12 DC (+) main power terminal stud is acceptable. See Figure below for illustration of connecting the provided CBMD12 main power jumper wire.

Figure 4 - CBMD12 Main Power Jumper Wire
The bypass module provides a manual method (On/Off switch) to control CLMD12 loads by providing power to each load in case of CLMD12 malfunction and/or NMEA 2000 network failure. The power outputs provided by the bypass module are over current protected via an individual fuse for each output. Please ensure that the current rating of the fuse for each load is appropriate to protect the wiring for each load.
Please note that the bypass module does not support paralleled outputs, since each circuit is controlled by a separate switch. Additionally, the bypass module does not support dimming of circuits.
To change control from the CLMD12 load module to the CBMD12 bypass module, please perform the following steps:
1) Ensure that the area is free of fumes and gasses.
2) Ensure that all switches on the CBMD12 bypass module are in the OFF position.
3) Unplug the J1 connector from the CLMD12 load module.
4) Plug the J1
connector from the malfunctioned CLMD12 load module into the
CBMD12 bypass module.
5) Switches on the
CBMD12 are labeled in a seemingly random order. This is because the switch
labels correspond respectively with the breaker numbers of the CLMD12 (1-12)
rather than reading order of left to right, top to bottom.
For the circuits you wish to energize, turn the desired CLMD12 breaker number
on by switching the on the respective switch number located on the CBMD12
bypass module.
Please refer to the figure below for a visual representation of a circuit in bypass mode.

Figure 5 - CBMD12 Operation
Regular maintenance is important to ensure continued proper operation of the Maretron CBMD12. Perform the following tasks periodically:
If you notice unexpected operation of the Maretron CBMD12, follow the troubleshooting procedures in this section to remedy simple problems. If these steps do not solve your problem, please contact Maretron Technical Support (refer to Section 8 for contact information).
|
Symptom |
Troubleshooting Procedure |
|
CBMD12 will not power a load |
|
As Carling is constantly improving its products, all specifications are subject to change without notice.
Specifications:
Electrical
|
Parameter |
Value |
|
Number of Output Channels |
12 |
|
Operating Voltage |
<32VDC |
|
Maximum Unit Current Capacity |
75 Amps |
|
Channel Maximum Current Ratings |
4x5A, 6x10A, 2x15A |
|
Switch Electrical Life |
100,000 Cycles |
|
Mating J1 Connector / Connecting Cycles |
Deutsch DT06-12S / 100 Cycles |
Physical
|
Parameter |
Value |
|
Switches |
Carling Curvette SPST |
|
Cover Material |
ABS Clear, UL 94 VO |
|
Housing and Base Material |
Polyester PC/PBT, UL 94 VO |
|
Internal Seals, Connector Boot, Power Stud Cover Material |
Silicone |
|
Fuses |
ATC Standard |
|
Fuse Puller |
Part No: OptiFuse PUL-07 |
|
Dimensions |
4.79”[121.7mm] x 1.78”[43.9mm] |
|
Regulatory Marks |
CE |
Environmental
|
Parameter |
Value |
|
Operating Temperature |
-30C to +70C |
|
Ingress Protection |
IP53 With Cover Closed and Connector Seal Installed |
|
Chemical Resistance |
Gasoline, Diesel, Ethanol/Methanol, Ethylene Glycol |
In. [mm]

If you require technical support for Maretron products, you can reach us in any of the following ways:
Fax: 1-602-861-1777
E-mail: [email protected]
World Wide Web: http://www.maretron.com
Please check the dimensions before using the following diagram as a template for drilling the mounting holes because the printing process may have distorted the dimensions.

Figure 6 – Mounting Surface Template
Carling Technologies warrants the Maretron® CBMD12 to be free from defects in materials and workmanship for two (2) years from the date of original purchase. If within the applicable period any such products shall be proved to Carling’s satisfaction to fail to meet the above limited warranty, such products shall be repaired or replaced at Carling’s option. Purchaser's exclusive remedy and Carling’s sole obligation hereunder, provided product is returned pursuant to the return requirements below, shall be limited to the repair or replacement, at Carling’s option, of any product not meeting the above limited warranty and which is returned to Carling; or if Carling is unable to deliver a replacement that is free from defects in materials or workmanship, Purchaser’s payment for such product will be refunded. Carling assumes no liability whatsoever for expenses of removing any defective product or part or for installing the repaired product or part or a replacement therefore or for any loss or damage to equipment in connection with which Maretron® products or parts shall be used. With respect to products not manufactured by Carling, Carling’s warranty obligation shall in all respects conform to and be limited to the warranty actually extended to Carling by its supplier. The foregoing warranties shall not apply with respect to products subjected to negligence, misuse, misapplication, accident, damages by circumstances beyond Carling’s control, to improper installation, operation, maintenance, or storage, or to other than normal use or service.
THE FOREGOING WARRANTIES ARE EXPRESSLY IN LIEU OF AND EXCLUDES ALL OTHER EXPRESS OR IMPLIED WARRANTIES, INCLUDING BUT NOT LIMITED TO THE IMPLIED WARRANTIES OF MERCHANTABILITY AND OF FITNESS FOR A PARTICULAR PURPOSE.
Statements made by any person, including representatives of Carling, which are inconsistent or in conflict with the terms of this Limited Warranty, shall not be binding upon Carling unless reduced to writing and approved by an officer of Carling.
IN NO CASE WILL CARLING BE LIABLE FOR INCIDENTAL OR CONSEQUENTIAL DAMAGES, DAMAGES FOR LOSS OF USE, LOSS OF ANTICIPATED PROFITS OR SAVINGS, OR ANY OTHER LOSS INCURRED BECAUSE OF INTERRUPTION OF SERVICE. IN NO EVENT SHALL CARLING’S AGGREGATE LIABILITY EXCEED THE PURCHASE PRICE OF THE PRODUCT(S) INVOLVED. CARLING SHALL NOT BE SUBJECT TO ANY OTHER OBLIGATIONS OR LIABILITIES, WHETHER ARISING OUT OF BREACH OF CONTRACT OR WARRANTY, TORT (INCLUDING NEGLIGENCE), OR OTHER THEORIES OF LAW WITH RESPECT TO PRODUCTS SOLD OR SERVICES RENDERED BY CARLING, OR ANY UNDERTAKINGS, ACTS OR OMISSIONS RELATING THERETO.
Carling does not warrant that the functions contained in any software programs or products will meet purchaser’s requirements or that the operation of the software programs or products will be uninterrupted or error free. Purchaser assumes responsibility for the selection of the software programs or products to achieve the intended results, and for the installation, use and results obtained from said programs or products. No specifications, samples, descriptions, or illustrations provided Carling to Purchaser, whether directly, in trade literature, brochures or other documentation shall be construed as warranties of any kind, and any failure to conform with such specifications, samples, descriptions, or illustrations shall not constitute any breach of Carling’s limited warranty.
Warranty Return Procedure:
To apply for warranty claims, contact Carling Technologies or one of its Maretron dealers to describe the problem and determine the appropriate course of action. If a return is necessary, place the product in its original packaging together with proof of purchase and complete a Return Merchandise Authorization (RMA) on the following web page:
https://www.maretron.com/rma_request.php
You will be contacted by email with instructions on where to send the unit for repair / evaluation. You are responsible for all shipping and insurance charges. Carling will return the replaced or repaired product with all shipping and handling prepaid except for requests requiring expedited shipping (i.e. overnight shipments). Failure to follow this warranty return procedure could result in the product’s warranty becoming null and void.
Carling reserves the right to modify or replace, at its sole discretion, without prior notification, the warranty listed above. To obtain a copy of the then current warranty policy for Maretron® products, please go to the following web page:
http://www.maretron.com/company/warranty.php